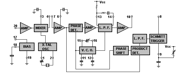
| Pin | Name | Description |
|---|---|---|
| 1 | RF Down Converter X-Tal Input | |
| 2 | RF Down Converter X-Tal Output | |
| 3 | Mixer Decouple | |
| 4 | Mixer Output | |
| 5 | NC | No Connection |
| 6 | 2nd IF Decouple | |
| 7 | 2nd IF Output | |
| 8 | Squelch Output | |
| 9 | Squelch Adjust | |
| 10 | AF Output | |
| 11 | VCO Decouple | |
| 12 | VCO Decouple | |
| 13 | Loop Filter | |
| 14 | Loop Filter | |
| 15 | VCO Timing Capacitor | |
| 16 | VCO Timing Capacitor | |
| 17 | ? | |
| 18 | ? |
This counter shows the number of hits since the 29th January 2000
Copyright © The Defpom 1997-2008