TC5081P PLL Phase-Locked-Loop
Description:
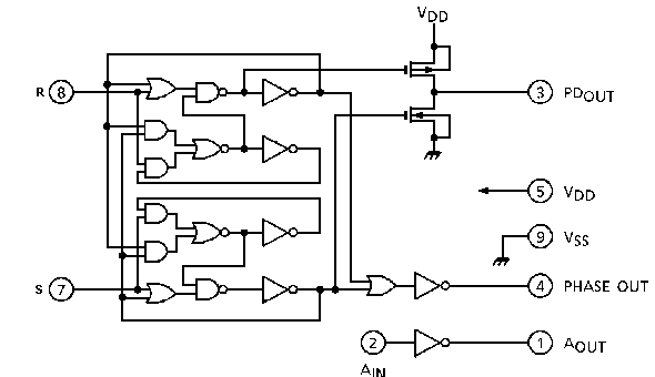
The TC5081P is an integrated circuit in a 9-Lead SIP type package consisting of a digital phase comparator and an amplifier. Three state outputs connected to low pass filter (using an internal amplifier) will produce DC voltage to control a VCO.
Low state pulses appear on phase out as long as the loop is unlocked and thses can be utilized as lock indicator.
| Pin | Name | Description |
| 1 | AOUT | Amplifier Output |
| 2 | AIN | Amplifier Input |
| 3 | PD | Phase Detector Output |
| 4 | Phase Output | |
| 5 | VCC | Suply Voltage 4,5-8 Volt |
| 6 | NC | No Conection |
| 7 | S | Reference Frequency Input |
| 8 | R | ? |
| 9 | Vss | Ground |
This counter shows the number of hits since the
29th January 2000

Go Back To The Components Page
Go Back To The Main Home
Page
Copyright © The Defpom 1997-2008
https://www.radiomods.co.nz/